“Nước giếng có mùi trứng thối (H2S): Nguyên nhân & Cách xử lý” là vấn đề phổ biến ở nhiều hộ gia đình sử dụng nguồn nước ngầm. Mùi khó chịu giống trứng luộc để lâu xuất hiện do khí Hydro Sulfua (H₂S) được tạo ra từ hoạt động của vi khuẩn khử sulfat trong môi trường thiếu oxy hoặc phản ứng hóa học từ thanh magie trong bình nóng lạnh.
Nồng độ H₂S cao không chỉ gây khó chịu mà còn có thể gây đau đầu, buồn nôn và ăn mòn đường ống kim loại, thiết bị gia dụng. Việc hiểu rõ nước giếng có mùi trứng thối (H2S): Nguyên nhân & Cách xử lý giúp người dùng lựa chọn giải pháp phù hợp từ các phương pháp đơn giản như sục khí, lọc than hoạt tính đến hệ thống xử lý chuyên sâu bằng hóa chất (Chlorine, Ozone) hay màng lọc RO.
Tùy theo nguồn gốc mùi hôi, từ vi khuẩn trong tầng nước ngầm, ô nhiễm hữu cơ hay phản ứng trong bình nước nóng - mà áp dụng biện pháp xử lý tận gốc, bảo vệ sức khỏe và kéo dài tuổi thọ thiết bị.

I. Dấu hiệu nhận biết nước giếng bị nhiễm H2S
Việc phát hiện sớm dấu hiệu nhiễm khí Hydro Sulfua giúp gia đình kịp thời áp dụng biện pháp xử lý, tránh ảnh hưởng lâu dài đến sức khỏe và hệ thống cấp nước.
—> Có thể bạn quan tâm: [7 Dấu hiệu nước giếng bị nhiễm bẩn (Chi tiết)].
Các biểu hiện đặc trưng của nguồn nước bị nhiễm H₂S:
|
Dấu hiệu
|
Mô tả chi tiết
|
|
Mùi đặc trưng
|
Bốc mùi giống trứng gà ung hoặc bùn đầm lầy ngay khi vừa bơm nước lên bề mặt
|
|
Ngưỡng phát hiện
|
Khứu giác con người cảm nhận được ngay cả khi nồng độ chỉ đạt 0.05 ppm
|
|
Độ trong của nước
|
Nước vẫn có thể trong vắt nhưng mùi hôi rất nặng, khác biệt với nước đục
|
|
Vết ố trên thiết bị
|
Xuất hiện màu đen hoặc vàng nâu trên vòi sen, bồn rửa, bồn cầu sau thời gian sử dụng
|
|
Ăn mòn kim loại
|
Đường ống đồng, inox bị xỉn màu, tạo lớp cặn đen khi tiếp xúc lâu với nước
|
Một đặc điểm quan trọng: Mùi có thể xuất hiện chỉ ở nước nóng hoặc cả nước lạnh và nóng. Sự khác biệt này giúp xác định chính xác nguồn gốc vấn đề - liệu từ bình nóng lạnh hay từ tầng nước ngầm.
II. Nguyên nhân chính làm nước giếng có mùi trứng thối (H2S)
Để xử lý triệt để vấn đề mùi hôi, cần hiểu rõ cơ chế sinh ra khí H₂S trong nguồn nước giếng. Có 5 nguyên nhân chính được xác định từ các nghiên cứu kỹ thuật và thực tế triển khai.
2.1. Khí Hydro Sulfua
Khí H₂S là hợp chất vô cơ có công thức hóa học đơn giản nhưng tạo ra tác động phức tạp đối với chất lượng nước sinh hoạt.
—> Có thể bạn quan tâm: [Top 5 nguyên nhân nước giếng nhiễm bẩn (Có giải pháp)].
Đặc tính kỹ thuật của khí Hydro Sulfua:
- Cấu trúc phân tử: Gồm 2 nguyên tử Hydro liên kết với 1 nguyên tử Lưu huỳnh
- Trạng thái tồn tại: Dạng khí không màu, hòa tan trong nước tạo dung dịch acid yếu
- Ngưỡng cảm nhận: Con người phát hiện mùi ở nồng độ 0.05-0.1 ppm, thấp hơn nhiều so với ngưỡng gây hại
- Độ hòa tan: Phụ thuộc vào nhiệt độ và pH - nước lạnh hòa tan nhiều H₂S hơn nước nóng

Khí này tồn tại tự nhiên trong nhiều tầng đất nhưng nồng độ cao bất thường thường do hoạt động sinh học hoặc địa chất đặc thù.
2.2. Vi khuẩn khử Sulfat
Vi sinh vật kỵ khí đóng vai trò trực tiếp trong quá trình chuyển hóa các hợp chất lưu huỳnh thành khí H₂S gây mùi.
Cơ chế hoạt động sinh học: Các chủng vi khuẩn thuộc nhóm Desulfovibrio và Thiobacillus sống trong môi trường thiếu oxy tại tầng nước ngầm sâu. Chúng sử dụng ion sulfat (SO₄²⁻) có sẵn trong nước làm chất nhận electron thay thế cho oxy trong quá trình hô hấp tế bào.
—> Có thể bạn quan tâm: [Nước giếng có mùi tanh, hôi: Nguyên nhân và cách xử lý hiệu quả].
Phương trình phản ứng sinh hóa: SO₄²⁻ + Chất hữu cơ + Vi khuẩn → H₂S + CO₂ + Năng lượng
Điều kiện thuận lợi cho sự phát triển:
- Môi trường yếm khí: Nồng độ oxy hòa tan dưới 0.5 mg/L
- Nguồn dinh dưỡng: Xác động thực vật, lá cây mục rữa, protein phân hủy
- Nhiệt độ tối ưu: Khoảng 25-40°C, phổ biến ở giếng khoan sâu
- pH phù hợp: Từ 6.5 đến 7.5, môi trường trung tính đến hơi acid
- Thời gian lưu nước: Nước đọng lâu trong tầng chứa tạo điều kiện vi khuẩn sinh sôi

Giếng khoan sâu từ 30-80 mét thường gặp vấn đề này do tầng nước ít tuần hoàn với bề mặt.
2.3. Địa chất tầng nước ngầm chứa lưu huỳnh
Thành phần khoáng vật trong các tầng đất ảnh hưởng trực tiếp đến hàm lượng sulfat và khả năng sinh H₂S.
Các dạng địa chất điển hình:
- Trầm tích biển cổ: Tầng Pleistocen chứa nhiều sulfat từ nước biển cổ đại bay hơi, phổ biến ở vùng Đồng bằng Sông Cửu Long
- Đá phiến và đá bùn: Chứa khoáng vật Pyrite (FeS₂) bị phong hóa theo thời gian
- Vùng than bùn: Tầng than non giàu lưu huỳnh hữu cơ
- Đất phù sa: Tích tụ vật chất hữu cơ từ sông, biển mang theo hợp chất lưu huỳnh
Bảng phân bố nguy cơ theo vùng địa chất:
|
Loại địa tầng
|
Hàm lượng Sulfat
|
Nguy cơ H₂S
|
|
Đá vôi, đá granite
|
10-30 mg/L
|
Thấp
|
|
Cát pha sét ven biển
|
50-150 mg/L
|
Trung bình
|
|
Trầm tích biển Pleistocen
|
100-500 mg/L
|
Cao
|
|
Vùng đất phèn
|
200-800 mg/L
|
Rất cao
|
Khu vực gần mỏ dầu khí hoặc có hoạt động địa nhiệt cũng ghi nhận nồng độ H₂S tự nhiên cao.

2.4. Ô nhiễm nguồn nước từ bên ngoài
Các tác động từ hoạt động sinh hoạt và sản xuất có thể đưa thêm chất hữu cơ và sulfat vào tầng nước ngầm.
—> Có thể bạn quan tâm: [Lọc nước giếng khoan: Hướng dẫn toàn diện từ A-Z].
Nguồn ô nhiễm phổ biến:
- Bể phốt rò rỉ: Khoảng cách giếng - bể phốt dưới 10 mét tăng nguy cơ nước thải thấm xuống
- Hệ thống cống rãnh bị vỡ: Nước thải sinh hoạt chứa protein, chất béo phân hủy tạo H₂S
- Rác thải hữu cơ: Xác động vật, thực vật chôn lấp gần giếng
- Phân bón hóa học: Phân đạm sulfat amoni (NH₄)₂SO₄ thấm sâu vào đất
- Hoạt động chăn nuôi: Chất thải chăn nuôi giàu protein và sulfat
Đặc biệt, vùng nông thôn có mật độ bể phốt cao và giếng khoan nông (dưới 15 mét) thường gặp tình trạng này.

2.5. Phản ứng hóa học trong hệ thống nước nóng
Bình đun nước tạo môi trường đặc biệt cho quá trình sinh khí H₂S ngay trong hệ thống cấp nước gia đình.
Cơ chế phản ứng tại bình nóng lạnh: Thanh magie (Mg) được lắp bên trong bình đóng vai trò anode hy sinh để bảo vệ thành bình khỏi ăn mòn.
Khi nước chứa ion sulfat (SO₄²⁻) tiếp xúc với thanh magie ở nhiệt độ 40-60°C: Mg + SO₄²⁻ + Nhiệt độ → MgSO₄ + H₂S↑
—> Có thể bạn quan tâm: [Nước giếng khoan có sạch không? Tác hại và hướng dẫn chi tiết các cách xử lý].
Yếu tố thúc đẩy phản ứng:
- Nhiệt độ cao tăng tốc độ phản ứng hóa học
- Nước đọng lâu trong bình (trên 24 giờ)
- Vi khuẩn kỵ khí phát triển ở đáy bình
- Hàm lượng sulfat trong nước nguồn cao (trên 50 mg/L)

Hiện tượng đặc trưng: Chỉ nước nóng có mùi, nước lạnh bình thường. Khi mùi chỉ xuất hiện ở một vài vòi nước nóng, nguyên nhân gần như chắc chắn từ bình đun.
III. Lý do nước giếng chỉ có mùi trứng thối khi sử dụng nước nóng
Trường hợp nước lạnh không có mùi nhưng nước nóng lại bốc mùi hôi nồng nặc là tình huống phổ biến nhưng hay gây nhầm lẫn. Hiểu đúng nguyên nhân giúp tiết kiệm chi phí xử lý vì không cần can thiệp vào toàn bộ hệ thống nước.
3.1. Phản ứng hóa học giữa thanh Magie và Sulfat
Thanh magie trong bình nóng lạnh không chỉ đơn thuần là chi tiết bảo vệ mà còn là chất xúc tác cho phản ứng tạo H₂S.
Quy trình diễn ra phản ứng:
Khi nước chứa sulfat được bơm vào bình và gia nhiệt lên 50-65°C, thanh magie bắt đầu tương tác với ion sulfat theo phản ứng khử. Nhiệt độ cao cung cấp năng lượng hoạt hóa cần thiết.
Các giai đoạn:
- Ion hóa magie: Mg → Mg²⁺ + 2e⁻
- Khử sulfat: SO₄²⁻ + 8H⁺ + 8e⁻ → S²⁻ + 4H₂O
- Tạo thành H₂S: S²⁻ + 2H⁺ → H₂S↑
Khí H₂S sinh ra hòa tan trong nước nóng và thoát ra khi mở vòi, tạo mùi đặc trưng. Phản ứng này không xảy ra ở nước lạnh vì thiếu năng lượng nhiệt.

—> Có thể bạn quan tâm: [Chi phí lắp đặt hệ thống lọc nước giếng khoan 2026].
Các yếu tố ảnh hưởng đến cường độ phản ứng:
- Nồng độ sulfat: từ 50 mg/L trở lên bắt đầu có mùi nhẹ
- Nhiệt độ cài đặt bình: 60°C cho phản ứng mạnh hơn 40°C
- Thời gian nước lưu trong bình: Trên 48 giờ tăng nồng độ H₂S
- Tuổi thanh magie: Thanh mới phản ứng mạnh hơn thanh đã bị oxy hóa một phần
3.2. Sự phát triển của vi khuẩn trong bình chứa nước nóng
Bên cạnh phản ứng hóa học, hoạt động sinh học của vi khuẩn cũng đóng góp vào việc tạo mùi ở nước nóng.
Điều kiện lý tưởng cho vi sinh vật: Đáy bình nóng lạnh thường tích tụ cặn bẩn - hỗn hợp magie hydroxide, canxi carbonat và vật chất hữu cơ. Lớp cặn này tạo vùng yếm khí nơi vi khuẩn Desulfovibrio sinh trưởng mạnh.
Đặc điểm môi trường:
- Nhiệt độ 35-45°C: Tối ưu cho vi khuẩn khử sulfat
- Thiếu oxy: Lớp nước tĩnh ở đáy bình
- Nguồn dinh dưỡng: Cặn hữu cơ, ion sulfat
- Bề mặt bám dính: Thành bình và thanh magie
Vi khuẩn tạo màng sinh học (biofilm) bám chặt vào bề mặt, khó loại bỏ bằng rửa đơn thuần. Chúng chuyển hóa sulfat thành H₂S ngay trong bình chứa.
—> Có thể bạn quan tâm: [6 Cách xử lý nước giếng khoan bị vàng đơn giản, hiệu quả].

Dấu hiệu vi khuẩn phát triển mạnh:
- Mùi tăng dần theo thời gian sử dụng bình
- Nước đầu tiên mở vòi có mùi nặng nhất
- Cặn đen nhớt ở đáy bình khi tháo ra vệ sinh
- Mùi vẫn còn sau khi đã thay thanh magie
Trường hợp này cần kết hợp vệ sinh bình và xử lý vi khuẩn bằng hóa chất sát trùng.
IV. Nước giếng có mùi trứng thối có độc hại và gây nguy hiểm cho sức khỏe
Khí H₂S không chỉ gây khó chịu về mùi mà còn có tác động đo được đối với sức khỏe con người và tuổi thọ thiết bị. Mức độ ảnh hưởng phụ thuộc vào nồng độ và thời gian tiếp xúc.
4.1. Tác động trực tiếp đến sức khỏe con người
Cơ thể con người tiếp xúc với H₂S qua 3 đường chính: hít thở, da và niêm mạc.
—> Có thể bạn quan tâm: [Hướng dẫn chi tiết sơ đồ lắp đặt hệ thống lọc nước giếng khoan đơn giản, hiệu quả].
Phân cấp tác hại theo nồng độ:
|
Nồng độ H₂S
|
Triệu chứng quan sát được
|
|
0.05 - 1 ppm
|
Phát hiện mùi, khó chịu nhẹ, không có triệu chứng lâm sàng
|
|
1 - 5 ppm
|
Kích ứng mắt, mũi, họng sau 1 giờ tiếp xúc
|
|
10 - 50 ppm
|
Đau đầu, buồn nôn, chóng mặt, mất thăng bằng
|
|
50 - 100 ppm
|
Ho, khó thở, viêm kết mạc, kích ứng da tiếp xúc
|
|
100 - 300 ppm
|
Tê liệt khứu giác, giảm oxy máu, tụt huyết áp
|
|
> 500 ppm
|
Ngạt thở, mất ý thức trong 30 giây, nguy cơ tử vong cao
|
Cơ chế gây độc: H₂S ức chế enzyme cytochrome c oxidase trong ty thể, ngăn cản quá trình hô hấp tế bào. Thiếu oxy cấp mô dẫn đến tổn thương não, tim, phổi.
—> Nội dung quan trọng cần biết: [Tầm quan trọng của nước sạch đối với trẻ nhỏ].

Nhóm dễ bị tổn thương:
- Trẻ em dưới 5 tuổi: Hệ hô hấp chưa phát triển hoàn chỉnh
- Người cao tuổi: Khả năng đào thải độc tố kém
- Bệnh nhân hen suyễn, COPD: Đường thở nhạy cảm hơn
- Phụ nữ mang thai: Ảnh hưởng đến sự phát triển thai nhi
Tiếp xúc lâu dài với nồng độ thấp (dưới 10 ppm) qua nhiều năm có thể gây viêm mũi mạn, viêm phế quản, giảm chức năng phổi.
4.2. Tác hại đến thiết bị và sinh hoạt gia đình
H₂S trong môi trường ẩm tạo acid sulfuric (H₂SO₄) yếu, ăn mòn kim loại và gây hư hỏng thiết bị.
Các tác động vật chất:
1. Ăn mòn hệ thống đường ống:
- Ống đồng: xuất hiện màu xanh lục, thủng nhỏ sau 5-7 năm
- Ống thép: gỉ nhanh, giảm áp lực nước, rò rỉ
- Ống inox 304: ăn mòn điểm, giảm tuổi thọ 30-40%
- Van, khớp nối: kẹt cứng, khó đóng mở
2. Hư hỏng thiết bị điện:
- Máy bơm nước: ăn mòn trục, bạc đạn, giảm công suất
- Bình nóng lạnh: thủng đáy bình, hỏng thanh đốt điện
- Máy giặt: hỏng van cấp nước, ống dẫn bị cứng
3. Làm hỏng đồ dùng:
- Đồ bạc, đồng: chuyển màu đen, mất bóng không phục hồi
- Gương, kính: vết mờ khó lau sạch
- Quần áo: xuất hiện vết ố vàng nâu khi giặt
- Thiết bị vệ sinh: vết đen bám chặt trên bồn sứ
4. Ảnh hưởng kinh tế:
- Chi phí sửa chữa, thay thế thiết bị tăng 40-60%
- Giảm giá trị bất động sản khi có mùi hôi dai dẳng
- Chi phí hóa chất tẩy rửa tăng
- Tuổi thọ nhà giảm do ăn mòn kết cấu kim loại

—> Nội dung quan trọng cần biết: [Vai trò và tầm quan trọng của nước sạch đối với mẹ bầu].
Theo tài liệu kỹ thuật, nồng độ H₂S chỉ cần 1-2 ppm đã đủ gây ăn mòn đáng kể sau 3-5 năm tiếp xúc liên tục.
V. Phân biệt mùi trứng thối do vi khuẩn và ô nhiễm nước thải
Xác định chính xác nguồn gốc mùi hôi là bước quan trọng để lựa chọn phương pháp xử lý phù hợp, tránh lãng phí chi phí cho giải pháp không đúng vấn đề.
5.1. Mùi từ hệ thống nước trong nhà
Khi vấn đề xuất phát từ đường ống hoặc thiết bị bên trong công trình, có những dấu hiệu đặc trưng dễ nhận biết.
Các biểu hiện điển hình:
Phân bố không đồng đều:
- Chỉ một số vòi cụ thể có mùi (vòi bếp, sen tắm nhà vệ sinh tầng 2)
- Vòi ít dùng có mùi nặng hơn vòi dùng thường xuyên
- Các vòi cùng nối với bình nóng lạnh đều có mùi
Đặc điểm theo nhiệt độ:
- Nước nóng có mùi mạnh, nước lạnh hoàn toàn bình thường
- Mùi xuất hiện rõ nhất khi vừa mở vòi nước nóng
- Để nước chảy 1-2 phút thì mùi giảm dần
Biến đổi theo thời gian:
- Mùi tăng dần sau vài tháng sử dụng bình mới
- Sau kỳ nghỉ dài (3-5 ngày), mùi đặc biệt nặng
- Vệ sinh đường ống làm mùi giảm tạm thời
Nguyên nhân phổ biến:
- Thanh magie trong bình nóng lạnh phản ứng với sulfat
- Vi khuẩn phát triển trong đoạn ống ứ đọng
- Màng sinh học bám trong ống dẫn nước nóng
- Bể chứa nước trên cao lâu ngày không vệ sinh

Phương pháp kiểm tra đơn giản: Lấy nước trực tiếp từ giếng (chưa qua bình nóng) vào bình thủy tinh, đậy kín, để 24 giờ rồi ngửi. Nếu không có mùi → vấn đề từ hệ thống trong nhà.
5.2. Mùi từ nguồn nước ngầm
Khi tầng nước ngầm bị nhiễm H₂S, mùi xuất hiện đồng đều ở mọi điểm sử dụng với đặc điểm riêng biệt.
Dấu hiệu nhận diện:
Phân bố đồng nhất:
- Tất cả vòi nước trong nhà đều có mùi như nhau
- Cả nước lạnh và nước nóng đều bốc mùi hôi
- Mùi giống nhau dù lấy nước ở tầng 1 hay tầng 3
Đặc điểm thời gian:
- Ngay khi vừa bật máy bơm đã có mùi
- Mùi ổn định, không giảm dù để nước chảy lâu
- Nước lấy trực tiếp tại miệng giếng cũng có mùi tương tự
Mức độ mùi:
- Nồng độ mùi tương đối cố định qua các lần lấy nước
- Có thể tăng nhẹ trong mùa khô (nước đọng lâu)
- Giảm tạm thời sau mưa lớn do nước mới thấm vào
Nguyên nhân gốc rễ:
- Vi khuẩn khử sulfat trong tầng nước thiếu oxy
- Địa chất đặc thù: giếng khoan qua tầng giàu lưu huỳnh
- Ô nhiễm hữu cơ: bể phốt rò rỉ, nước thải thấm xuống
- Nước ngầm sâu: tầng Pleistocen chứa sulfat cao tự nhiên
Phương pháp xác nhận:
- Lấy mẫu nước trực tiếp tại giếng (trước khi vào bồn chứa)
- Test bằng kit đo H₂S tại chỗ
- Gửi mẫu đến phòng thí nghiệm phân tích nồng độ sulfat, H₂S
- Kiểm tra giếng hàng xóm xem có hiện tượng tương tự không

Nếu nhiều giếng trong bán kính 100-200m đều có mùi → vấn đề địa chất hoặc ô nhiễm diện rộng. Chỉ một giếng duy nhất có mùi → nghi ngờ ô nhiễm cục bộ từ bể phốt gần đó.
—> Có thể bạn quan tâm: [Hướng dẫn cách làm & Báo giá cột lọc nước phèn cập nhật 2026].
VI. Cách xử lý triệt để mùi trứng thối trong nước giếng tại nhà
Tùy theo nồng độ H₂S và quy mô sử dụng nước, có thể lựa chọn một hoặc kết hợp nhiều phương pháp xử lý để đạt hiệu quả tối ưu về mặt kỹ thuật và kinh tế.
6.1. Phương pháp vật lý - Sục khí (Aeration)
Sục khí là giải pháp đơn giản, chi phí thấp, phù hợp cho hộ gia đình có nồng độ H₂S từ thấp đến trung bình.
Nguyên lý kỹ thuật:
Tăng diện tích tiếp xúc giữa nước và không khí, tạo chênh lệch nồng độ khí giữa pha lỏng và pha khí. H₂S hòa tan trong nước bay hơi ra không khí theo định luật Henry. Đồng thời, oxy trong không khí hòa tan vào nước, oxy hóa một phần H₂S thành lưu huỳnh nguyên tố.
Phản ứng xảy ra: 2H₂S + O₂ → 2S + 2H₂O
Các thiết bị sục khí phổ biến:
1. Giàn phun mưa (Spray Aerator):
- Cấu tạo: Nhiều vòi phun nhỏ phun nước lên không trung, rơi xuống bể
- Hiệu suất: 60-75% với thời gian tiếp xúc 15-20 phút
- Ưu điểm: Đơn giản, tự làm được, chi phí 500,000 - 2,000,000 đồng
- Nhược điểm: Cần diện tích lắp đặt 2-3m², mất áp lực nước
2. Máy phun Venturi:
- Cấu tạo: Ống thu hẹp tạo chân không hút khí vào dòng nước
- Hiệu suất: 75-85% với tỷ lệ khí/nước đạt 1:5
- Ưu điểm: Nhỏ gọn, tự động, không cần điện
- Nhược điểm: Cần áp lực nước tối thiểu 2 bar, giá 3-6 triệu đồng
3. Bình sục khí áp lực:
- Cấu tạo: Bình kín, bơm khí vào tạo áp suất, nước và khí trộn lẫn
- Hiệu suất: 80-90% với thời gian lưu 30-40 phút
- Ưu điểm: Hiệu quả cao, giữ được áp lực nước
- Nhược điểm: Cần máy nén khí, chi phí 8-15 triệu đồng
4. Tháp sục khí cascade:
- Cấu tạo: Nhiều tầng rơi, nước chảy qua các tầng đệm nhựa
- Hiệu suất: 85-95% với chiều cao tháp 2-3m
- Ưu điểm: Xử lý lưu lượng lớn, bền lâu
- Nhược điểm: Cồng kềnh, giá 12-25 triệu đồng

—> Có thể bạn quan tâm: [Báo giá lắp đặt hệ thống lọc nước giếng khoan Hà Nội].
Lưu ý vận hành:
- Sau sục khí cần lọc cặn để loại lưu huỳnh kết tủa
- Thời gian tiếp xúc tối thiểu 20 phút cho hiệu quả tốt
- Làm sạch vòi phun, đệm nhựa 3-6 tháng/lần tránh tắc
- Kiểm tra nồng độ H₂S đầu ra bằng kit test
6.2. Phương pháp hấp phụ - Lọc Than hoạt tính
Than hoạt tính loại bỏ H₂S và các chất gây mùi khác bằng cơ chế hấp phụ vật lý và hóa học trên bề mặt xốp.
Đặc tính vật liệu:
- Diện tích bề mặt: 800-1200 m²/gram cho than hoạt tính GAC (Granular Activated Carbon)
- Kích thước hạt: 0.5-2 mm, dạng viên hoặc dạng vụn
- Khả năng hấp phụ: 5-15% trọng lượng than tùy chất lượng
- Tuổi thọ: 6-18 tháng tùy nồng độ H₂S và lưu lượng nước
Cơ chế hoạt động: H₂S hòa tan tiếp xúc với bề mặt than, bị giữ lại bởi lực van der Waals. Một phần H₂S bị oxy hóa thành lưu huỳnh nguyên tố bám trên than, một phần chuyển thành acid sulfuric rất loãng.
Các dạng ứng dụng:
1. Tầng lọc than trong bể chứa:
- Độ dày tầng than: 30-50 cm
- Lưu lượng: 8-12 m³/m²/giờ
- Thích hợp: Bể chứa sẵn có, chi phí thấp
- Chi phí than: 40,000-80,000 đồng/kg

2. Cột lọc than riêng biệt:
- Bình lọc FRP hoặc inox, đường kính 10-30 cm
- Van tự động xả ngược định kỳ
- Lưu lượng: 0.5-5 m³/giờ
- Giá thành: 3-8 triệu đồng/bộ
3. Lõi lọc than 10-20 inch:
- Lắp trong hệ thống lọc 3-5 cấp
- Tuổi thọ: 3-6 tháng
- Thích hợp: Lưu lượng nhỏ, điểm sử dụng
- Giá: 150,000-500,000 đồng/lõi

Bảo dưỡng và thay thế:
- Xả ngược tầng lọc 1 tuần/lần để loại cặn
- Thay than khi mùi bắt đầu xuất hiện trở lại
- Tái sinh than bằng hơi nước nóng 120°C (nếu thiết bị cho phép)
- Kết hợp sục khí trước than để tăng hiệu quả 15-20%
6.3. Phương pháp oxy hóa - Cát Mangan
Vật liệu xúc tác mangan dioxide (MnO₂) oxy hóa H₂S thành lưu huỳnh không mùi mà không cần thêm hóa chất.
Cơ chế xúc tác:
Cát mangan phủ lớp MnO₂ trên bề mặt. Khi nước chứa H₂S đi qua, xảy ra phản ứng:
- H₂S + MnO₂ → S + MnO + H₂O
- MnO + O₂ → MnO₂ (tự tái sinh)
Lớp MnO₂ tự phục hồi khi tiếp xúc oxy, nên cần sục khí trước tầng lọc.

Đặc điểm kỹ thuật:
|
Thông số
|
Giá trị
|
|
Nồng độ H₂S xử lý
|
0.5 - 5 ppm
|
|
Tốc độ lọc
|
5-10 m/giờ
|
|
Độ dày tầng lọc
|
60-80 cm
|
|
Kích thước hạt
|
0.5-2 mm
|
|
Tuổi thọ
|
3-5 năm
|
|
Cần oxy tối thiểu
|
2 mg/L
|
Ưu điểm vượt trội:
- Hiệu suất cao 90-98% nếu vận hành đúng
- Không cần châm hóa chất liên tục
- Tự tái sinh, ít bảo dưỡng
- Xử lý đồng thời sắt, mangan
Nhược điểm cần lưu ý:
- Giá cao: 180,000-350,000 đồng/kg
- Bắt buộc phải sục khí trước
- pH nước cần > 6.5
- Xả ngược thường xuyên tránh kết cứng

Quy trình lắp đặt:
- Bơm nước qua hệ thống sục khí
- Qua bể lắng loại tạp chất thô
- Vào cột lọc cát mangan
- Qua lọc cát thạch anh loại cặn lưu huỳnh
- Vào bể chứa nước sạch
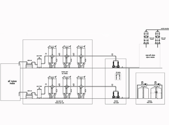
6.4. Hệ thống lọc tổng đầu nguồn của VITEKO
Đối với nồng độ H₂S cao hoặc nước đồng nhiễm nhiều tạp chất, hệ thống lọc đa tầng chuyên nghiệp mang lại hiệu quả toàn diện.
Cấu tạo hệ thống 5 tầng xử lý:
Tầng 1 - Sục khí oxy hóa:
- Thiết bị: Venturi hoặc bình sục khí
- Chức năng: Oxy hóa H₂S, sắt, mangan thành dạng rắn
- Bổ sung oxy: Đạt 4-6 mg/L
Tầng 2 - Lọc thô loại cặn:
- Vật liệu: Sỏi, cuội kích thước 5-10 mm
- Độ dày: 20-30 cm
- Chức năng: Loại tạp chất lớn, bảo vệ tầng sau
Tầng 3 - Cát mangan xúc tác:
- Vật liệu: Greensand hoặc Birm
- Độ dày: 60-80 cm
- Chức năng: Oxy hóa hoàn toàn H₂S, Fe, Mn
Tầng 4 - Than hoạt tính hấp phụ:
- Vật liệu: Than GAC cao cấp
- Độ dày: 40-60 cm
- Chức năng: Hấp phụ mùi dư, chất hữu cơ
Tầng 5 - Màng RO/Nano (tùy chọn):
- Công nghệ: Lọc màng 0.0001 micron
- Hiệu suất: Loại 95-99% tạp chất
- Áp dụng: Nước nhiễm phức tạp
.jpg)
Tính năng tự động hóa:
- Van điều khiển đa cổng tự động xả ngược
- Cảm biến áp suất, lưu lượng giám sát
- Timer hẹn giờ xả rửa định kỳ
- Màn hình hiển thị trạng thái vận hành
Chi phí đầu tư theo công suất:
- 0.5 m³/giờ (3-5 người): 12-18 triệu đồng
- 1 m³/giờ (5-8 người): 18-28 triệu đồng
- 2 m³/giờ (10-15 người): 30-45 triệu đồng
- 5 m³/giờ (công nghiệp nhỏ): 60-100 triệu đồng

Chi phí vận hành hàng năm:
- Điện năng: 200-500 kWh/năm
- Thay vật liệu lọc: 2-4 triệu đồng
- Bảo trì, bảo dưỡng: 1-2 triệu đồng
6.5. Khi nào nên sử dụng hệ thống lọc nước giếng khoan có mùi trứng thối
Việc lựa chọn quy mô và công nghệ xử lý cần dựa trên đánh giá kỹ thuật và khả năng đầu tư.
.jpg)
Các trường hợp nên đầu tư hệ thống lọc tổng:
1. Nồng độ H₂S cao:
- Trên 3 ppm: Sục khí đơn thuần không đủ
- Trên 5 ppm: Cần oxy hóa mạnh + lọc nhiều tầng
- Trên 10 ppm: Bắt buộc hệ thống chuyên nghiệp
2. Đa nhiễm bẩn:
- Nước vừa có H₂S, vừa có sắt, mangan
- Đồng thời nhiễm phèn, độ cứng cao
- Có vi khuẩn E.coli hoặc Coliform
3. Nhu cầu sử dụng lớn:
- Hộ gia đình trên 8 người
- Quán ăn, khách sạn nhỏ
- Xưởng sản xuất, chế biến
4. Yêu cầu chất lượng cao:
- Nước pha sữa cho trẻ nhỏ
- Người bệnh, phụ nữ mang thai
- Sản xuất thực phẩm, đồ uống

Các trường hợp dùng phương pháp đơn giản:
- Nồng độ H₂S < 1 ppm: Sục khí hoặc than hoạt tính
- Chỉ nước nóng có mùi: Xử lý bình nóng lạnh
- Ngân sách hạn chế: Sục khí + than, nâng cấp dần
Tính toán hiệu quả kinh tế:
|
Phương án
|
Chi phí ban đầu
|
Chi phí năm
|
Tuổi thọ
|
Tổng 10 năm
|
|
Sục khí + Than
|
4 triệu
|
1.5 triệu
|
5 năm
|
19 triệu
|
|
Cát Mangan
|
12 triệu
|
2 triệu
|
8 năm
|
32 triệu
|
|
Hệ thống tổng
|
25 triệu
|
3 triệu
|
10 năm
|
55 triệu
|
Cần cân nhắc: Chi phí thấp ban đầu nhưng vận hành cao có thể đắt hơn trong dài hạn.
VII. Sử dụng clo để khử mùi H2S trong nước giếng
Chlorine là chất oxy hóa mạnh, diệt vi khuẩn và loại bỏ H₂S hiệu quả, thường áp dụng cho xử lý định kỳ hoặc khi nồng độ cao.
7.1. Nguyên lý oxy hóa H2S bằng Chlorine
Clo trong nước tạo acid hypochlorous (HOCl) - chất oxy hóa mạnh phá vỡ liên kết H-S.
Phản ứng chính:
- H₂S + Cl₂ → 2HCl + S↓ (lưu huỳnh kết tủa)
- H₂S + 4Cl₂ + 4H₂O → H₂SO₄ + 8HCl (oxy hóa hoàn toàn)
Cơ chế diệt vi khuẩn: Chlorine phá vỡ màng tế bào vi khuẩn khử sulfat, oxy hóa protein và DNA, tiêu diệt hoàn toàn chủng gây mùi. Ngăn chặn tái sinh H₂S từ gốc.

Yếu tố ảnh hưởng hiệu suất:
- pH nước: Tối ưu 6.5-7.5, pH cao giảm hiệu quả 30-40%
- Thời gian tiếp xúc: Tối thiểu 30 phút, lý tưởng 1-2 giờ
- Nhiệt độ: 20-30°C cho phản ứng nhanh
- Nồng độ H₂S ban đầu: Cần 2 mg Cl₂/1 mg H₂S
7.2. Các loại hóa chất oxy hóa phổ biến
Có nhiều dạng chlorine và chất oxy hóa khác phù hợp với mục đích và quy mô khác nhau.
1. Bột tẩy Chlorine (Calcium Hypochlorite):
- Công thức: Ca(OCl)₂
- Hàm lượng Clo: 65-70%
- Dạng: Bột trắng, viên nén
- Giá: 40,000-80,000 đồng/kg
- Ưu điểm: Rẻ, dễ mua, bảo quản lâu
- Nhược điểm: Cần pha loãng, tạo cặn canxi
Liều dùng:
- Xử lý thường xuyên: 2-5 ppm (2-5 mg/L)
- Shock chlorination: 50-100 ppm
- Cách pha: 10g bột/10L nước = dung dịch 1000 ppm
2. Nước Javel (Sodium Hypochlorite):
- Công thức: NaOCl
- Nồng độ: 5-15% Clo hoạt động
- Dạng: Dung dịch lỏng màu vàng nhạt
- Giá: 15,000-30,000 đồng/lít
- Ưu điểm: Sẵn dùng, không cặn
- Nhược điểm: Mất hiệu lực nhanh khi để lâu
Liều dùng:
- 20 ml Javel 12%/m³ nước = 2.4 ppm Clo
- Bơm định lượng: 0.5-2 L/ngày cho giếng gia đình
3. Chlorine Dioxide (ClO₂):
- Dạng: Khí hoặc viên sủi tạo khí
- Nồng độ sử dụng: 0.5-2 ppm
- Giá: 200,000-500,000 đồng/kg
- Ưu điểm: Mạnh gấp 2.5 lần Cl₂, không mùi dư
- Nhược điểm: Đắt, cần thiết bị tạo khí
4. Ozone (O₃):
- Tạo từ: Máy phát ozone bằng phóng điện
- Nồng độ: 1-3 ppm
- Công suất máy: 5-50g O₃/giờ
- Giá máy: 8-30 triệu đồng
- Ưu điểm: Oxy hóa mạnh nhất, không dư lượng
- Nhược điểm: Đầu tư cao, tiêu tốn điện

So sánh hiệu quả:
|
Hóa chất
|
Hiệu suất H₂S
|
Diệt vi khuẩn
|
Chi phí
|
Dư lượng
|
|
Chlorine
|
85-92%
|
99%
|
Thấp
|
Cần lọc than
|
|
ClO₂
|
92-98%
|
99.9%
|
Cao
|
Ít
|
|
Ozone
|
98-99%
|
99.99%
|
Rất cao
|
Không
|
7.3. Phương pháp Shock Chlorination (Sốc Clo)
Kỹ thuật clo hóa cú sốc áp dụng nồng độ Chlorine cao để khử trùng toàn bộ giếng và hệ thống ống.
Nguyên tắc thực hiện: Đưa nồng độ Clo lên 50-100 ppm (gấp 25-50 lần bình thường) trong thời gian ngắn 12-24 giờ để tiêu diệt hoàn toàn vi khuẩn, màng sinh học và oxy hóa H₂S tích tụ.
Các bước thực hiện chi tiết:
Bước 1: Tính toán lượng Clo cần dùng
Công thức:
Lượng Clo (g) = Thể tích nước (m³) × Nồng độ mục tiêu (ppm) × Hệ số (1.4)
Ví dụ: Giếng đường kính 1m, sâu 15m
- Thể tích = 3.14 × 0.5² × 15 = 11.8 m³
- Clo cần = 11.8 × 100 × 1.4 = 1,652g ≈ 1.7kg bột tẩy 70%
—> Có thể bạn quan tâm: [Cloramin B là gì? Cách pha Cloramin B khử trùng nước giếng khoan].
Bước 2: Chuẩn bị dung dịch Clo
- Hòa tan 1.7kg bột tẩy vào 20L nước sạch
- Khuấy đều 5-10 phút đến tan hoàn toàn
- Để lắng 15 phút, lấy phần nước trong
Bước 3: Đổ Clo vào giếng
- Rót từ từ dung dịch Clo vào miệng giếng
- Dùng que tre dài khuấy đều trong giếng
- Bật máy bơm chạy 10-15 phút để trộn đều
Bước 4: Tuần hoàn Clo trong hệ thống
- Mở từng vòi trong nhà đến khi ngửi thấy mùi Clo rõ
- Bao gồm cả vòi nóng, lạnh, sen tắm, vòi vườn
- Đóng lại, để yên 8-12 giờ (tốt nhất qua đêm)
Bước 5: Xả rửa sạch
- Mở vòi ngoài trời xả nước ra cống đến hết mùi Clo
- Không xả vào bể phốt (clo giết vi khuẩn phân hủy)
- Kiểm tra nồng độ Clo dư < 0.5 ppm bằng kit test
Bước 6: Lọc và kiểm tra
- Lắp thêm lõi lọc than hoạt tính khử Clo dư
- Sau 3-7 ngày, kiểm tra lại mùi H₂S
- Nếu còn mùi → lặp lại hoặc chuyển sang phương pháp khác
Lưu ý an toàn:
- Đeo găng tay cao su, khẩu trang khi xử lý Chlorine
- Không hít khí Clo trực tiếp - độc hại đường hô hấp
- Tránh tiếp xúc da - gây bỏng hóa chất
- Không trộn với acid hoặc amoniac - phát sinh khí độc
- Bảo quản bột tẩy nơi khô ráo, thoáng mát, tránh ánh sáng

Tần suất thực hiện:
- Giếng mới khoan: 1 lần sau khi hoàn thành
- Giếng có mùi: 1 lần/6 tháng
- Sau lũ lụt, nước ngập: ngay lập tức
- Bảo dưỡng định kỳ: 1 lần/năm
VIII. Xử lý riêng cho nước nóng có mùi trứng thối
Khi xác định mùi chỉ từ bình nóng lạnh, các biện pháp can thiệp trực tiếp vào thiết bị này mang lại hiệu quả nhanh mà không cần xử lý toàn bộ nguồn nước.
8.1. Thay thế hoặc gỡ bỏ thanh Magie
Thanh magie là nguyên nhân trực tiếp tạo H₂S trong bình nóng, nhưng cũng bảo vệ bình khỏi ăn mòn.
Giải pháp 1 - Thay thanh Magie bằng thanh Nhôm: Thanh nhôm (Aluminum Anode) ít phản ứng với sulfat hơn magie nhưng vẫn bảo vệ bình hiệu quả.
Đặc điểm kỹ thuật:
- Đường kính: 19-22 mm
- Chiều dài: 30-50 cm (tùy dung tích bình)
- Thành phần: Nhôm 99% + hợp kim
- Tuổi thọ: 3-5 năm
- Giá: 300,000-600,000 đồng/thanh
—> Có thể bạn quan tâm: [Công thức tính công suất lọc nước giếng] cho nước có mùi trứng thối.
Quy trình thay thế:
- Tắt nguồn điện, đóng van nước vào
- Xả nước nóng ra đến còn 1/3 bình
- Tháo nắp đậy trên đỉnh bình
- Dùng cờ lê mở ốc giữ thanh magie (mặt lục giác)
- Kéo thanh magie cũ ra (có thể bị cặn bám cứng)
- Lắp thanh nhôm mới, vặn chặt ốc
- Mở van cho nước đầy bình, kiểm tra rò rỉ
- Bật điện, chờ 2-4 giờ, kiểm tra mùi
Giải pháp 2 - Gỡ bỏ hoàn toàn thanh Magie: Áp dụng cho bình inox 304/316 cao cấp ít bị ăn mòn.
Ưu điểm:
- Loại bỏ hoàn toàn nguồn gốc phản ứng tạo H₂S
- Chi phí 0 đồng
- Hiệu quả tức thì
Nhược điểm:
- Bình thường (men thép) giảm tuổi thọ 40-60%
- Nguy cơ thủng đáy bình sau 2-3 năm
- Mất bảo hành nếu tự ý tháo

Lưu ý quan trọng, chỉ gỡ bỏ thanh magie khi:
- Bình inox dày, chất lượng cao
- Nước không có tính ăn mòn cao (pH 7-8)
- Chấp nhận thay bình sớm hơn
- Đã tham khảo kỹ thuật viên
8.2. Tăng nhiệt độ bình nóng lạnh
Nhiệt độ cao diệt vi khuẩn sinh H₂S nhưng cần cân bằng giữa hiệu quả và an toàn.
Nguyên lý khử trùng bằng nhiệt: Vi khuẩn Desulfovibrio chết ở nhiệt độ trên 60°C trong 30 phút. Tăng nhiệt độ bình lên 65-70°C tiêu diệt hoàn toàn vi khuẩn và ngăn tái phát.
Cách thực hiện:
- Vặn núm điều chỉnh nhiệt độ lên mức cao nhất (thường 75°C)
- Để bình gia nhiệt và duy trì nhiệt 2-3 giờ
- Xả bớt nước nóng để nước mới vào tuần hoàn
- Lặp lại 2-3 ngày liên tục
- Sau đó giảm xuống 60°C để duy trì
Bảng nhiệt độ và hiệu quả:
|
Nhiệt độ
|
Thời gian diệt khuẩn
|
Hiệu quả
|
Nguy cơ bỏng
|
|
50°C
|
> 10 giờ
|
60%
|
Thấp
|
|
60°C
|
30-60 phút
|
95%
|
Trung bình
|
|
70°C
|
5-10 phút
|
99%
|
Cao
|
|
80°C
|
< 1 phút
|
99.9%
|
Rất cao
|
Biện pháp an toàn:
- Lắp van trộn nước nóng-lạnh (Thermostatic Mixing Valve) ở đầu ra
- Cài đặt van giới hạn nhiệt độ đầu ra ≤ 50°C
- Dán nhãn cảnh báo nước nóng ở vòi
- Hướng dẫn người cao tuổi, trẻ em sử dụng cẩn thận
Tác động phụ:
- Tăng chi phí điện 12-18%
- Giảm tuổi thọ điện trở đốt 10-15%
- Đòi hỏi bình có cách nhiệt tốt
- Cần kiểm tra van xả áp thường xuyên

Khi nào nên áp dụng:
- Mùi nhẹ, không liên tục
- Bình mới, chưa muốn can thiệp nhiều
- Kết hợp với vệ sinh định kỳ
- Tạm thời trước khi thay thanh nhôm
8.3. Vệ sinh bình nóng lạnh định kỳ
Loại bỏ cặn bẩn và màng sinh học giúp giảm môi trường cho vi khuẩn phát triển.
Tần suất vệ sinh khuyến nghị:
- Nước cứng, nhiều cặn: 3-4 tháng/lần
- Nước trung bình: 6 tháng/lần
- Nước mềm, sạch: 12 tháng/lần
- Bình có mùi H₂S: ngay lập tức
Quy trình vệ sinh cơ bản:
Bước 1: Xả cặn đáy bình
- Tắt điện, đóng van nước vào
- Nối ống mềm vào van xả đáy
- Mở van xả, để nước chảy ra đến hết cặn
- Quan sát nước trong → đóng van
Bước 2: Tháo và rửa bên trong
- Xả hết nước, tháo điện trở đốt
- Dùng đèn pin soi vào trong bình
- Xúc cặn đáy bằng muôi dài hoặc hút bằng máy
- Rửa bằng vòi nước áp lực cao
Bước 3: Khử trùng bằng Chlorine
- Pha 50g bột tẩy/10L nước = 5000 ppm
- Đổ vào bình, cho đầy nước
- Để 4-6 giờ
- Xả sạch nhiều lần đến hết mùi Clo
Bước 4: Lắp ráp và vận hành thử
- Lắp lại điện trở, thanh magie/nhôm
- Kiểm tra các ron cao su
- Cho nước đầy, kiểm tra rò rỉ
- Bật điện, đun nóng, thử mùi
Vệ sinh chuyên sâu (1 năm/lần):
- Tháo hoàn toàn bình ra khỏi tường
- Vệ sinh bên ngoài, kiểm tra lớp cách nhiệt
- Thay toàn bộ ron, đệm cao su
- Kiểm tra và thay thanh magie/nhôm
- Kiểm tra điện trở, thay nếu cháy đen
- Làm sạch cảm biến nhiệt độ
Chi phí vệ sinh:
- Tự làm: 0 đồng (chỉ hóa chất 20,000-50,000 đồng)
- Thuê thợ: 300,000-500,000 đồng/lần
- Vệ sinh + thay phụ tùng: 500,000-1,200,000 đồng

—> Nội dung quan trọng cần biết: [7 Loại nước giếng khoan ở việt nam: Loại nào nguy hiểm nhất].
Dấu hiệu cần vệ sinh gấp:
- Nước nóng ra ít hơn bình thường (cặn nhiều)
- Tiếng kêu lạ khi đun (cặn cứng ở điện trở)
- Nước nóng có màu vàng nâu (rỉ sét)
- Mùi H₂S ngày càng nặng
- Bình nóng chậm, tốn điện hơn
IX. Biện pháp phòng ngừa và bảo dưỡng dài hạn
Xử lý vấn đề từ gốc và duy trì chất lượng nước ổn định giúp tiết kiệm chi phí và bảo vệ sức khỏe lâu dài.
9.1. Vệ sinh và khử trùng giếng định kỳ
Giếng sạch, không tích tụ chất hữu cơ và vi khuẩn là nền tảng để ngăn ngừa H₂S. Quy trình vệ sinh giếng khoan:
1. Bơm rửa giếng (6 tháng/lần):
- Dùng máy bơm công suất lớn hút cạn nước trong giếng
- Bơm nước sạch áp lực cao vào ống chống, ống lọc
- Khuấy động cặn đáy, bơm lên bề mặt
- Lặp lại 3-5 lần đến khi nước trong
2. Shock Chlorination giếng (12 tháng/lần):
- Tính lượng Clo theo thể tích giếng
- Đổ Clo vào, khuấy đều bằng que tre
- Bơm tuần hoàn 2-3 giờ
- Để yên 12 giờ, sau đó bơm xả sạch
3. Kiểm tra kết cấu giếng:
- Miệng giếng: kín, không rò nước mưa
- Nắp đậy: chặt, có lỗ thông khí nhỏ
- Ống chống: không nứt, vỡ
- Đệm cao su: không hư, đảm bảo kín nước

—> Có thể bạn quan tâm: [Cách thử nước giếng khoan để kiểm tra chất lượng].
Bảo vệ miệng giếng:
- Xây bậc thềm cao 30-50 cm tránh ngập úng
- Đổ bê tông xung quanh miệng giếng rộng 1-1.5m
- Làm dốc thoát nước mưa ra xa
- Không chất đống rác, phân xung quanh giếng
9.2. Thiết kế giếng đúng kỹ thuật
Giếng khoan đúng tiêu chuẩn kỹ thuật từ đầu giảm nguy cơ nhiễm H₂S và các chất bẩn khác.
Các nguyên tắc thiết kế:
1. Lựa chọn vị trí khoan:
- Cách bể phốt, cống rãnh tối thiểu 15-20m
- Cách chuồng trại, ao chứa nước thải > 30m
- Địa hình cao, không bị ngập
- Tránh vùng đất rác, chôn lấp cũ
2. Độ sâu và tầng lấy nước:
- Nước nông (< 15m): dễ nhiễm bẩn, ít H₂S
- Nước trung (15-50m): chất lượng khá, có thể có H₂S nhẹ
- Nước sâu (> 50m): sạch vi khuẩn nhưng nguy cơ H₂S cao
- Nguyên tắc: Khoan qua tầng giàu sulfat, lấy nước tầng sâu hơn
3. Kết cấu ống chống - ống lọc:
|
Thành phần
|
Quy cách kỹ thuật
|
|
Ống chống
|
PVC Ø 90-168mm, dày 5-8mm, chống qua tầng phù sa
|
|
Ống lọc
|
PVC Ø 90-168mm, khe lọc 0.5-1mm, đặt trong tầng chứa nước
|
|
Sỏi lọc
|
Cuội tròn Ø 5-10mm, lấp quanh ống lọc dày 10-15cm
|
|
Chống cát
|
Lưới inox hoặc đồng bao quanh ống lọc tránh bít
|
|
Xi măng cách ly
|
Trám kín khoảng không giữa ống chống và thành khoan, cao 3-5m
|
4. Hoàn thiện miệng giếng:
- Cắt ống chống cao 50-60cm trên mặt đất
- Hàn nắp đậy inox có lỗ thông khí Ø 10mm
- Lắp van 1 chiều tránh nước chảy ngược
- Xây nền bê tông vững chắc

9.3. Kiểm tra chất lượng nước định kỳ
Theo dõi biến đổi chất lượng nước giúp phát hiện sớm vấn đề và điều chỉnh phương pháp xử lý kịp thời.
Các chỉ tiêu cần kiểm tra:
1. Kiểm tra tại nhà (hàng tháng):
- Mùi: Dùng khứu giác đánh giá mức độ mùi H₂S
- Màu sắc: Quan sát có vàng, nâu, đỏ (sắt), đen (mangan)
- Vị: Chát, mặn, kim loại
- pH: Dùng giấy quỳ hoặc máy đo pH cầm tay
2. Test nhanh bằng Kit (3-6 tháng/lần):
- Kit đo H₂S: Que thử đổi màu, giá 50,000-150,000 đồng/hộp 50 que
- Kit đo Clo dư: Quan trọng sau xử lý Chlorine
- Kit đo sắt/mangan: Thường đi kèm với H₂S
3. Phân tích phòng thí nghiệm (12 tháng/lần):
|
Chỉ tiêu
|
Giới hạn cho phép
|
Ý nghĩa
|
|
H₂S
|
0.05 ppm
|
Mùi hôi, ăn mòn
|
|
Sulfat (SO₄²⁻)
|
250 mg/L
|
Nguồn gốc H₂S
|
|
Sắt (Fe)
|
0.3 mg/L
|
Đồng nhiễm với H₂S
|
|
Mangan (Mn)
|
0.1 mg/L
|
Tương tự sắt
|
|
pH
|
6.5-8.5
|
Ảnh hưởng xử lý
|
|
TDS
|
500 mg/L
|
Tổng chất rắn hòa tan
|
|
Coliform
|
0 CFU/100ml
|
Vi khuẩn gây bệnh
|
Chi phí xét nghiệm:
- Gói cơ bản (pH, TDS, Fe, Mn, H₂S): 300,000-500,000 đồng
- Gói đầy đủ (thêm kim loại nặng, vi sinh): 800,000-1,500,000 đồng

Địa chỉ xét nghiệm:
- Trung tâm Kiểm nghiệm tỉnh/thành phố
- Sở Y tế - Chi cục Vệ sinh môi trường
- Phòng thí nghiệm tư nhân được cấp phép
9.4. Bảo dưỡng hệ thống xử lý nước giếng có mùi H2S
Thiết bị xử lý hoạt động ổn định và hiệu quả lâu dài cần bảo trì đúng quy trình.
Lịch bảo dưỡng theo thiết bị:
1. Hệ thống sục khí:
Hàng tuần:
- Kiểm tra áp suất khí, lưu lượng nước
- Quan sát có rò rỉ, tắc nghẽn không
Hàng tháng:
- Vệ sinh vòi phun Venturi, giàn mưa
- Kiểm tra van một chiều
- Làm sạch bể chứa khí
Hàng quý:
- Thay màng khí (nếu bị rách)
- Bôi trơn bạc đạn máy nén khí
- Kiểm tra dây đai, van xả
2. Tầng lọc than hoạt tính:
Hàng tuần:
- Xả ngược tầng lọc 10-15 phút
- Kiểm tra áp suất vào/ra (chênh < 0.5 bar)
Hàng tháng:
- Quan sát màu nước sau lọc
- Test mùi đầu ra bằng khứu giác
6 tháng:
- Thay than hoạt tính nếu bắt đầu có mùi
- Vệ sinh bình lọc, đầu phân phối
- Thay ron, đệm kín
3. Tầng lọc cát Mangan:
Hàng ngày:
- Sục khí vào nước trước khi vào tầng lọc
- Đảm bảo oxy > 2 mg/L
Hàng tuần:
- Xả ngược 15-20 phút
- Kiểm tra tốc độ lọc (không quá nhanh)
Hàng năm:
- Bổ sung cát mangan (hao hụt 5-10%)
- Kiểm tra phân tầng vật liệu
- Thay nếu giảm hiệu suất rõ rệt
4. Hệ thống châm Chlorine:
Hàng tuần:
- Kiểm tra nồng độ Clo trong bình chứa
- Đảm bảo bơm định lượng hoạt động
- Test nồng độ Clo dư đầu ra
Hàng tháng:
- Vệ sinh đầu bơm, ống châm
- Kiểm tra van một chiều
- Hiệu chuẩn lưu lượng bơm
Hàng quý:
- Thay màng bơm định lượng
- Vệ sinh bình chứa Chlorine
- Kiểm tra van an toàn

Chi phí bảo trì hàng năm:
|
Hạng mục
|
Chi phí (triệu đồng)
|
|
Điện năng
|
0.3 - 0.8
|
|
Thay than hoạt tính
|
1.5 - 3
|
|
Bổ sung cát Mangan
|
0.5 - 1.5
|
|
Hóa chất Chlorine
|
0.3 - 0.8
|
|
Phụ tùng, vật tư
|
0.5 - 1
|
|
Kiểm tra chuyên môn
|
0.5 - 1
|
|
Tổng
|
3.6 - 8.1
|
Dấu hiệu cần sửa chữa ngay:
- Mùi H₂S xuất hiện trở lại dù đã xử lý
- Áp suất đầu ra giảm đột ngột
- Nước sau lọc có màu đục, vàng
- Tiếng ồn bất thường từ máy bơm, van
- Rò rỉ nước tại mối nối
X. Kết luận
Nước giếng có mùi trứng thối do khí H₂S là vấn đề có thể xử lý hiệu quả nếu xác định đúng nguyên nhân và lựa chọn phương pháp phù hợp.
Khuyến nghị quan trọng:
- Xác định nguồn gốc trước khi đầu tư: Test nước để biết nồng độ H₂S chính xác, tránh mua thiết bị không phù hợp.
- Ưu tiên xử lý tận gốc: Vệ sinh giếng, khử trùng định kỳ, thiết kế đúng kỹ thuật quan trọng hơn mua thiết bị đắt tiền.
- Kết hợp nhiều phương pháp: Sục khí + lọc than + Shock Chlorination định kỳ cho hiệu quả cao hơn dùng riêng lẻ.
- Bảo dưỡng đúng cách: Thiết bị tốt nhất cũng kém hiệu quả nếu không vệ sinh, thay vật liệu đúng chu kỳ.
- Liên hệ chuyên gia khi cần: Trường hợp nồng độ cao, nhiễm phức tạp, tái phát nhiều lần nên tham khảo đơn vị chuyên môn để khảo sát, tư vấn giải pháp tối ưu.

Nước giếng có mùi trứng thối (H2S): Nguyên nhân & Cách xử lý cần được đánh giá đúng từ nguồn nước, mức độ mùi và điều kiện sử dụng thực tế để lựa chọn phương án xử lý phù hợp, tránh lãng phí và phát sinh rủi ro về lâu dài.


Để được tư vấn giải pháp xử lý mùi H2S hiệu quả, phù hợp từng khu vực, hoặc lựa chọn hệ thống lọc nước giếng khoan tiết kiệm, hãy liên hệ Hotline 091 897 6655 (Miền Nam) hoặc Hotline 093 345 5566 (Miền Bắc) để được hỗ trợ chi tiết.